Thông số kỹ thuật vòi chậu gật gù TOTO TLS01307V nóng lạnh
Sản phẩm bao gồm bộ xả, không gồm ống thải chữ P
- Áp lực nước: 0.05MPa ~ 0.75MPa
- Lớp mạ: Nickel Chrome
- Xuất xứ: Việt Nam
- Có thể dùng với ống thải nước chữ P: TVLF401
- Thiết kế hiện đại hài hòa với dòng sản phẩm LB Series
- Lớp mạ bền vững với thời gian
- Thân van bằng đồng thau
- Van đĩa bằng sứ chống bám cặn bẩn giúp khóa nước hoàn toàn
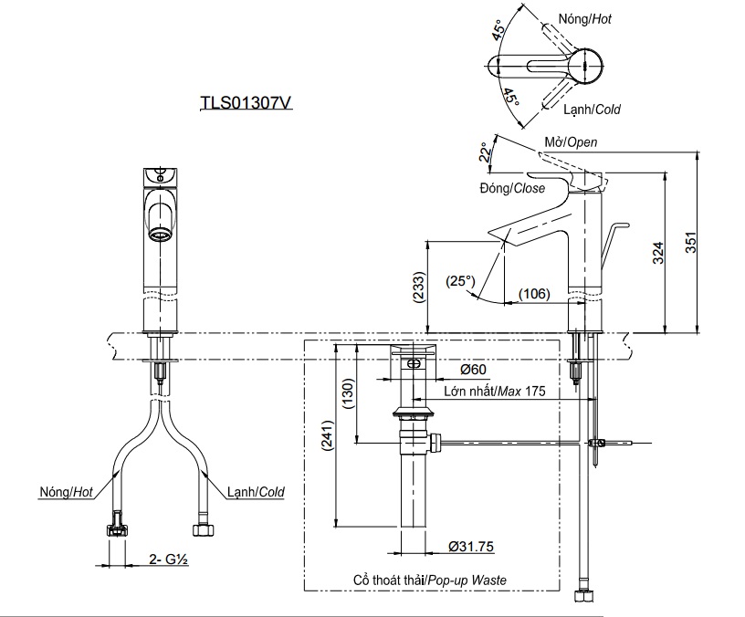
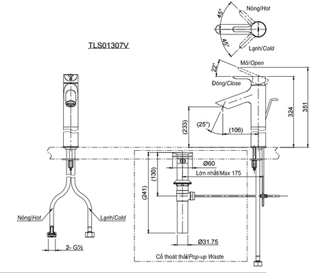
Bản vẽ kỹ thuật vòi nước TOTO TLS01307V nóng lạnh
