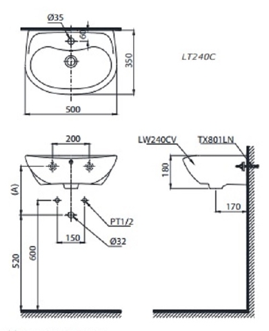
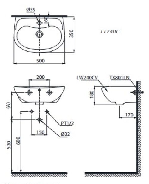
Thông tin cơ bản chậu rửa mặt lavabo TOTO LT240CS
- Chậu Rửa lavavbo TOTO LT240CS treo tường của hãng thiết bị vệ sinh TOTO
- Kích thước: 500x350 mm
- Màu sắc: Màu trắng
- Thiết kế đơn giản, sang trọng
- Nhỏ gọn, phù hợp với không gian nhỏ hẹp
- Thiết kế với lỗ thoát tràn
- Xuât xứ: Việt Nam
- Mã sản phẩm cũ: LT240C, LT240CR
- Sản phẩm không bao gồm vòi và bộ xả và chân chậu
- Lavabo có thể lắp phù hợp với các mẫu vòi và bộ xả sau:
- Vòi lạnh: TX109LD , TVLC101NSR - Chặn nước lavabo T6JV2N , Ống thoát nước TVLF402
- Vòi nóng lạnh đã bao gồm chặn nước lavabo: TVLM102NSR , TVLM105CR , TLS04301V , TLS03301V , TLS02301V ... - Ống thoát nước TVLF401
Bản vẽ bồn rửa mặt lavabo LT240CS TOTO
