Thông số kỹ thuật vòi chậu gật gù TOTO TLS04304V nóng lạnh
(bao gồm bộ xả, không gồm ống thải chữ P)
- Áp lực nước: 0.05MPa ~ 0.75MPa
- Lớp mạ: Nickel Chrome
- Xuất xứ: Việt Nam
- Thiết kế hiện đại hài hòa với dòng sản phẩm LC Series
- Lớp mạ bền vững với thời gian
- Thân van bằng đồng thau
- Van đĩa bằng sứ chống bám cặn bẩn giúp khóa nước hoàn toàn
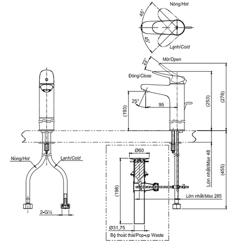
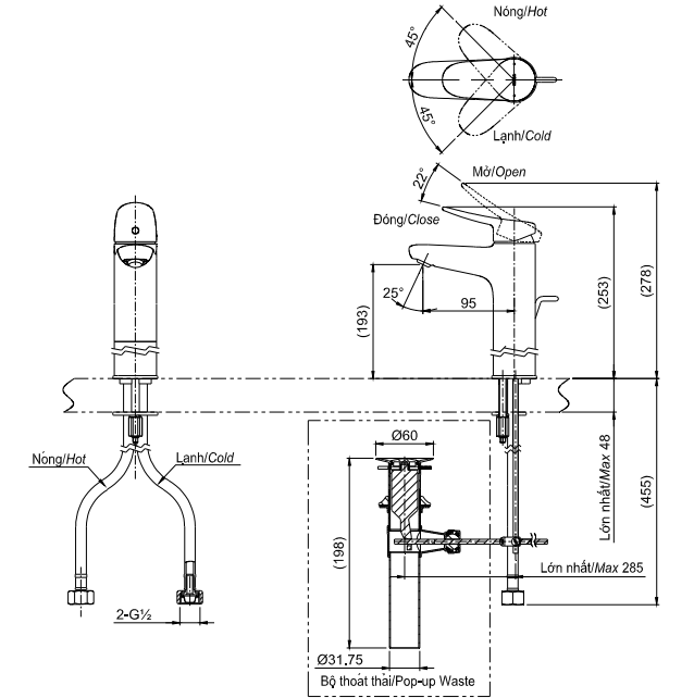
Bản vẽ kỹ thuật vòi lavabo TOTO TLS 04304V
